VENTOUSE TRIPLE FONCTION
VENTOUSE TRIPLE FONCTION
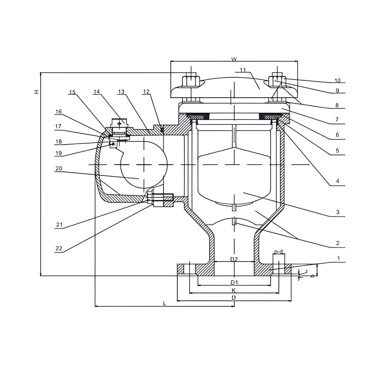
Robinetterie
Ventouse Triple fonction, permet d’évacuer l’air des conduites d’une façon permanent
(elle fait sortir l’air à grand débit lors de la mise en eau de la canalisation et fait entrer l’air à grand débit pour la vidange de la canalisation).
- Construction fonte GG25/GGG40
- Contact laiton / laiton
- PN 10/16
- DN 40 à DN 400
- Écartement DIN 3202 – F6
- Raccordement à brides PN 10/16/25
Descriptions
| DIMENSION | L | H | D | K | D1 | D2 | n-d | b | f | W | Poids /kg |
|---|---|---|---|---|---|---|---|---|---|---|---|
|
40 |
232 |
329 |
150 |
110 |
84 |
40 |
4-19 |
19 |
3 |
206 |
20 |
|
50 |
232 |
329 |
165 |
125 |
99 |
50 |
4-19 |
19 |
3 |
206 |
20 |
|
40-65 |
232 |
329 |
185 |
110-145 |
118 |
50 |
4-19 |
19 |
3 |
206 |
21.5 |
|
65 |
232 |
329 |
185 |
145 |
118 |
65 |
4-19 |
19 |
3 |
206 |
21.5 |
|
80 |
232 |
329 |
200 |
160 |
132 |
80 |
8-19 |
19 |
3 |
206 |
22 |
|
100 |
238 |
413 |
220 |
180 |
156 |
100 |
8-19 |
19 |
3 |
280 |
32.2 |
|
150 |
238 |
413 |
285 |
240 |
211 |
150 |
8-23 |
19 |
3 |
280 |
34.2 |
|
200 |
238 |
413 |
340 |
295 |
266 |
150 |
12-23 |
20 |
3 |
280 |
38 |
|
250 |
238 |
413 |
405 |
355 |
319 |
150 |
12-28 |
22 |
3 |
280 |
43.9 |
|
300 |
238 |
413 |
460 |
410 |
370 |
150 |
12-28 |
24.5 |
4 |
280 |
52.9 |









